黑帽seo排名軟件-黑帽seo程序論壇

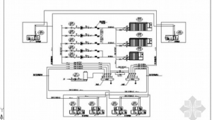
冷站群控系統圖dwg作為一種極為重要的工程圖紙,它詳細描繪了冷站群控系統的各個組成部分及其相互連接關系。通過這張圖紙,專業人員能夠清晰地了解系統的架構、設備的布局以及信號的傳輸路徑等關鍵信息。

冷站群控系統圖dwg通常采用精確的繪圖規范和符號來表示各種設備和線路。其中,冷站中的制冷機組、冷卻塔、水泵等主要設備會以特定的圖形符號準確呈現,讓人一目了然。它們之間的連接線路則用線條清晰地勾勒出來,明確了電力、控制信號等的走向。比如,制冷機組的供電線路會用粗實線表示,以突出其重要性和高負荷特性;而控制信號線則可能用細實線并標注不同的信號類型,如溫度控制信號、運行狀態反饋信號等。
在布局方面,冷站群控系統圖dwg會根據實際的物理空間進行合理規劃。將相關設備放置在合適的位置,以確保系統運行的高效性和穩定性。例如,冷卻塔一般會安裝在通風良好的室外區域,以便更好地散熱;水泵則會靠近水源和需要供水的設備,減少管道長度和阻力。這種布局的合理性在圖紙上得到了直觀體現,使得施工人員能夠準確地進行設備安裝。
冷站群控系統圖dwg中的信號傳輸部分更是關鍵所在。各種傳感器采集到的溫度、壓力、流量等數據,通過信號線傳輸到控制系統進行分析和處理。這些信號線路在圖紙上錯綜復雜卻又有條不紊,每一條線路都承載著特定的信息傳遞任務。控制系統根據接收到的數據,精確地調節制冷機組的運行頻率、冷卻塔的風機轉速以及水泵的流量等,以實現對冷站環境的精準控制。比如,當檢測到室內溫度升高時,控制系統會自動增加制冷機組的負荷,同時調整水泵的流量,確保有足夠的冷量供應到各個區域。
冷站群控系統圖dwg對于系統的調試和維護也具有重要意義。在調試階段,技術人員可以依據圖紙逐一檢查設備的連接是否正確、信號是否能夠正常傳輸。通過對照圖紙上的標注和說明,能夠快速定位并解決出現的問題。在日常維護中,維修人員可以根據圖紙了解系統的結構和工作原理,更有效地進行故障排查和設備檢修。例如,當某個設備出現故障時,維修人員可以從圖紙上找到與之相關的連接線路和控制邏輯,迅速判斷問題可能出在哪個環節,從而采取針對性的維修措施。
冷站群控系統圖dwg還為不同專業人員之間的溝通提供了統一的語言。無論是電氣工程師、機械工程師還是自控工程師,都可以通過這張圖紙了解整個冷站群控系統的全貌,便于協同工作。在項目建設過程中,各方人員可以圍繞這張圖紙展開討論,確保各個環節的工作緊密配合,共同推動冷站群控系統的順利實施。
冷站群控系統圖dwg是冷站群控系統的核心文檔,它以直觀、準確的方式展示了系統的各個方面。對于保障冷站的正常運行、提高能源利用效率以及實現智能化控制都起著不可或缺的作用。無論是在設計階段、施工階段還是運行維護階段,它都是專業人員手中的重要工具,為冷站群控系統的穩定可靠運行提供了堅實的保障。
來源:黑帽工具網(/QQ號:25496334),轉載請保留出處和鏈接!
本文鏈接:http://www.sugarbabysoaps.com/SEOYHwz/5841.html
本站內容來源于合作伙伴及網絡搜集,版權歸原作者所有。如有侵犯版權,請立刻和本站聯系,我們將在三個工作日內予以改正。
Copyright ?黑帽軟件網 All Rights Reserved.
微信:heimaowiki